Tööstusliku kapi ukse lukkon jaotuskapi, sidekapi, juhtkarbi ja muude seadmete peamine kaitsekomponent, mis on otseselt seotud sisemiste elektrikomponentide ohutuse ja süsteemi stabiilse tööga.
Erinevate projektide tarneaja ja spetsifikatsioonide mitmekülgsete nõuete täitmiseks on meie ettevõttel alati laos viit tüüpi sagedamini kasutatavaid lukke --Pika riba lukk, Paneeli lukk, Varda juhtlukk, Käepideme lukk,Pöörlev keelelukk. Samas toetame igat mittestandardset jooniste või näidiste järgi kohandatud lukku, mis sobib suurepäraselt kõikvõimalikele metallist jaotuskastidele.
Lennuklukk on üks levinumaid tööstuslike kapiukse lukkude tüüpe, mis on nii ilusad kui ka kergesti hooldatavad. Meie ettevõte tõi turule AB301, AB302, AB303, AB402, AB403 seeria tasapinna lukud, mis vastavad diferentseeritud disaini konstruktsiooni tugevuse, kaitseomaduste ja töötunde poolest jaotuskarbi erinevatele spetsifikatsioonidele, juhtkapi paigaldusnõuetele.
| Mõõtmed | Toote number | |||||||
| L1 | L2 | L3 | B1 | B2 | Hall kroomitud | Hall pihustusvärv | Must pulbervärvitud | Kaal (g) |
| 147 | 117 | 72 | 33 | 26.5 | AB301-1-1.2 | AB301-1-1.8 | AB301 | 370 |
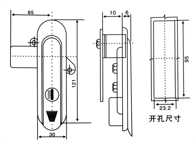
| 120.5 | 95.5 | 65 | 30 | 23.5 | AB301-2-1.2 | AB301-2-1.8 | AB302 | 290 |
| 87.5 | 62.5 | 65 | 28.5 | 23.5 | AB301-3-1.2 | AB301-3-1.8 | AB303 | 215 |
Peamine materjal: tsingisulam.
Pinnatöötlus: särav kroom, matt, must.
Funktsioon ja kasutamine: Teostage vasak- ja parempoolse ukseava, lihtne kasutada, tihendus- ja veekindla funktsiooniga.
Peamine materjal: tsingisulam.
Pinnatöötlus: särav kroom, matt, must.
Funktsioon ja kasutamine: Teostage vasak- ja parempoolse ukseava, lihtne kasutada, tihendus- ja veekindla funktsiooniga.
Materjal: tsingisulamist luku korpus, pöörlev võll, tsingitud terasest polt, surveplaat.
Pinnatöötlus: hõbehall nanosprei.
Struktuuri kirjeldus: avamiseks või lukustamiseks pöörake 90 kraadi.
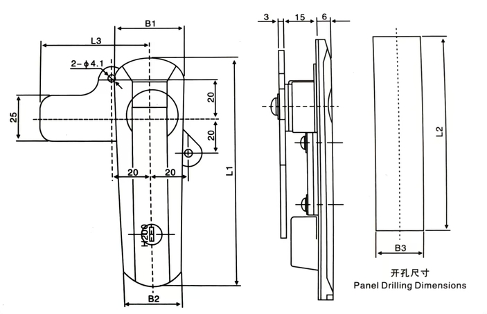
| MUDEL | L1 | L2 | L3 | B1 | B2 | B3 |
| UUS AB402-A | 123 | 95.5 | 65 | 36.5 | 30 | 23.5 |
| UUS AB403-A | 91 | 62.5 | 65 | 33 | 28.5 | 23.5 |
| UUS AB401-A | 151 | 117 | 72 | 36 | 30 | 26.5 |
